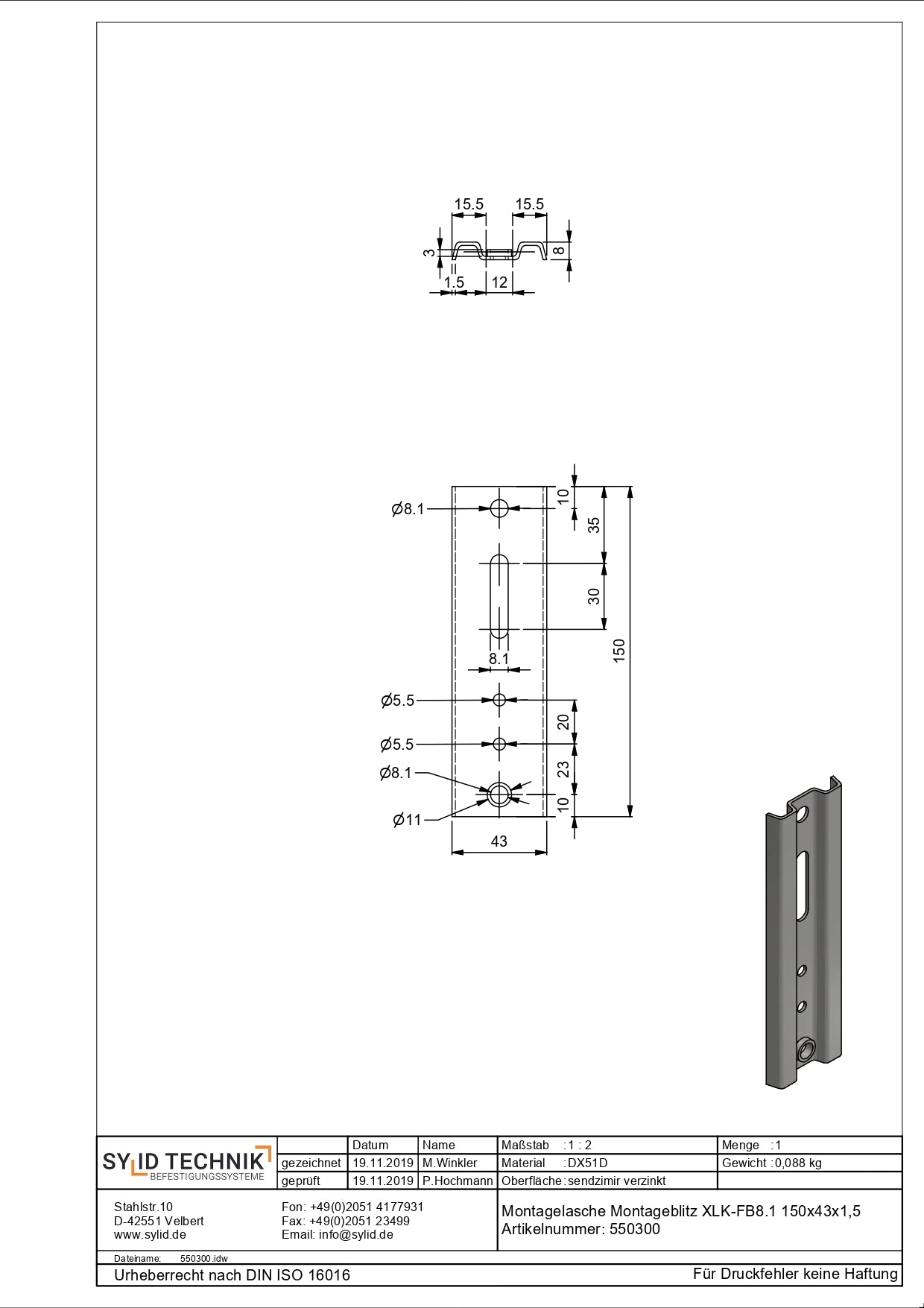
Montagelasche Montageblitz XLK-FB8.1 150x43x1,5 / 50 Stück (VE)
Dieser durch Langloch justierbare, biegesteife Montageanker mit dem „Montageblitz XL“-Sickenprofil ist optimiert für die untere, seitliche und obere Befestigung von Fenstern in der Laibung auch bei bereits aufgebrachter Dämmung.
Die XLK-Variante verfügt über einen Kragen um die Fensterbohrlochung, um eine bessere Führung und mehr Stabilität der eingesetzten Verbindungsmittel zu erreichen.
Diese Fenstermontageschiene ist PIV-geprüft und wird von uns für mittlere Belastungen empfohlen. Genaue Angaben zur Belastung entnehmen Sie bitte den Datenblättern. Lieferumfang: Montagelasche
Werkstoff: Stahl (DX51D+Z150MAC)
Oberfläche: sendzimirverzinkt
Abmessungen: LxBxs: 150x43x1,5 mm
Höhenverstellbar: nein
Kröpfung: ohne
Ausführung: lose
Bohrloch-Ø Mauerwerkseite: 1x Ø 8,1 mm, 1x LL Ø 8,1x30 mm
Bohrloch-Ø Fensterseite: 1x Ø 8,1 mm mit Kragen Ø 11 mm, 2x Ø 5,5 mm
Anwendung: Für die untere, seitliche und obere Befestigung
Einfache Bestellmöglichkeit
Sichere Bezahlung
Kontaktloser Versand
Schnelle Lieferung

